

以油氣開采、石化、電力、化工、冶金等為代表的流程工業領域,越來越向規模化、集約化和連續性的方向發展。由于這些行業普遍具有生產介質高溫高壓、易燃易爆、有毒有害,技術密集和連續生產的特點,一旦發生事故,可能導致巨大的災難性后果。
世界范圍內發生了許多震驚世界的火災、爆炸、有毒物質的泄漏事故。各國紛紛開始用系統工程的理論和原理來研究解決安全系統的功能安全問題,希望將技術缺陷和人為錯誤導致的危險威脅降至最小。為此英國PNEUMATROL取得了一些進展。
冗余化已經成為安全儀表系統不可或缺的一環,當重點考慮系統的安全性時,冗余電磁閥宜采用1oo2系統; 當重點考慮系統的可用性時,冗余電磁閥宜采用2oo2邏輯連接;而2oo3冗余控制模塊更將1oo2和2oo2的優勢集合到一起,既可以降低電磁閥的要求故障率 (PFD),也可以增加電磁閥安全性或/和可用性。
傳統的管式連接已經逐漸顯示出諸多弊端,泄漏點、故障點多,占用空間大,設計、安裝、維護維修難,無法實現在線診斷維修等缺陷給眾多應用帶來了不確定性,且無法實現真正的冗余,因此模塊化、緊湊化成為當今冗余技術的潮流和趨勢。
紐曼徹 2OO3 冗余解決方案
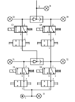
設計原理:
設計思路,運用四個獨立直動式電磁閥以模塊化形式,通過先并聯后串聯的方式實現高安全性的冗余解決方案。
特有的4個獨立電磁閥閥位、入口及出口機械式氣壓指示器就地狀態顯示,便于現場故障排查和維護。
模塊化單元,每個部件可以拆卸,可在線維護,檢修方便,更換成本低,減少布管工作
CNOMO標準,連接方便,便于線圈維護及現場操作
特點綜述:
•模塊化,結構緊湊體積小
•獨立關斷
•現場位置指示
•現場手動操作(可選項)
•現場維護
•2oo3可靠性,可用性高
•可服務性
當過程工業越來越向規模化、集約化和連續性的方向發展,這就要求停車間隔越長越好,最好能實現在線維護維修,保證工廠的連續安全運行。在這種背景下,冗余電磁閥系統也正在朝模塊化、緊湊化成為當今冗余技術的潮流和趨勢。
可選范圍
•閥體材質:不銹鋼,鋁合金可選
•電壓:DC12V、24V、48V 、AC110V、220V
•供氣壓力:0~10bar
•CV: 0.06~3
•工作溫度:-40°C~+80°C
•防爆等級:CT6
•防爆形式:隔爆Exd,本安Exia
如果您對該產品有興趣或者疑問,請致電025-58839936咨詢相關技術人員。
MOBILE WEBSITE
手機網站
掃描打開我們的手機網站
ONLINE MESSAGE
聯系方式
版權所有? 2020 pneumatrol紐曼徹(南京紐曼徹自控科技有限公司) 蘇ICP備20039061號-1 蘇公網安備32010602011859號